3月4日,河北省工业和信息化厅、河北省发展和改革委员会联合印发《河北省零碳工厂培育建设实施方案(试行)》,这是全国首个省级层面专门针对零碳工厂培育建设的系统性政策文件,标志着河北工业领域“双碳”工作向零碳进阶迈出关键一步。
方案遵循分阶段梯度培育原则,明确了行业推进路径:2026年起,重点聚焦汽车、锂电池、光伏等10个脱碳难度相对较小的行业领域;到2030年,将培育范围逐步拓展至钢铁、建材等传统高耗能行业。
方案以“申报一批、培育一批、建成一批”滚动推进,培育周期不超过3年,旨在打造零碳标杆企业,形成可复制推广的工业脱碳模式,倒逼产业升级,助力河北工业绿色高质量发展,为全省“双碳”目标落地奠定基础。
具体如下:
关于印发《河北省零碳工厂培育建设实施方案(试行)》的通知
冀工信节函〔2026〕74号
各市工业和信息化局、发展改革委、生态环境局、国资委,张家口市能源局,雄安新区工信科技数据局、改革发展局、生态环境局、财政局,定州、辛集市工业和信息化局、发展改革局、生态环境局、财政局:
为深入落实国务院办公厅《制造业绿色低碳发展行动方案(2025—2027年)》,根据工业和信息化部等五部门《关于开展零碳工厂建设工作的指导意见》要求,加快推进全省工业绿色低碳转型,省工业和信息化厅、省发展改革委、省生态环境厅、省国资委共同研究制定了《河北省零碳工厂培育建设实施方案(试行)》,现印发给你们,请结合贯彻落实工作抓好以下几项工作。
1.加强政策宣贯。因地制宜开展《河北省零碳工厂培育建设实施方案(试行)》等相关绿色低碳发展的政策宣贯、解读,鼓励企业不断挖掘节能降碳潜力,积极开展零碳工厂培育建设工作。
2.组织企业申报。各市(含定州、辛集市)工业和信息化局、雄安新区工信科技数据局按实施方案要求,指导企业组织申报材料,会同相关部门对申报材料进行初审把关,出具推荐意见函,并于2026年4月30日前将申报材料(纸质版、电子版各1份)和推荐函报送到省工业和信息化厅(节能与综合利用处)。
3.强化指导帮扶。支持建设单位规模化实施绿色低碳改造、大规模设备更新等技术改造项目。加强与金融机构对接,支持建设单位申请绿色金融融资需求。鼓励有条件的地区结合实际在资金奖励、产品推广、人才引育等方面对建设单位予以政策支持。
附件:河北省零碳工厂培育建设实施方案(试行)
河北省工业和信息化厅 河北省发展和改革委员会
河北省生态环境厅 河北省人民政府国有资产
监督管理委员会
2026年3月3日
附件
河北省零碳工厂培育建设实施方案(试行)
为深入贯彻习近平生态文明思想,落实党中央、国务院加紧经济社会发展全面绿色转型决策部署,加快推进全省工业绿色低碳转型,深入做好工业领域碳达峰碳中和工作,鼓励工业企业不断挖掘节能降碳潜力,积极建设零碳工厂,根据国务院办公厅《制造业绿色低碳发展行动方案(2025—2027年)》、工业和信息化部等五部门《关于开展零碳工厂建设工作的指导意见》要求,特制定本方案。
一、工作目标
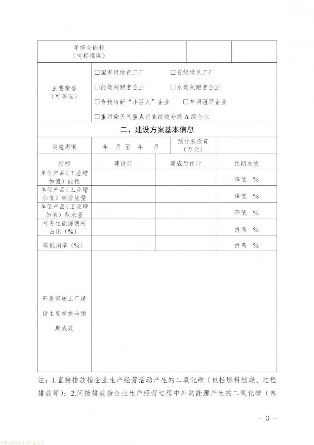
零碳工厂培育实施分阶段梯度培育,原则上培育建设的零碳工厂应为省级及以上绿色工厂,优先选择脱碳需求迫切、能源消费以电力为主、脱碳难度相对较小的行业先行探索,逐步完善相关规划设计、能源供应、工艺技术、管理运营和商业模式,待条件成熟后再向碳排放量强度高、脱碳难度大的行业逐步推进。2026年起,重点聚焦汽车、锂电池、光伏、电子电器、轻工、机械、电力装备、金属制品、短流程炼钢、算力设施等行业领域,到2030年,将零碳工厂培育建设逐步拓展至钢铁、建材、石化化工、纺织等行业领域。按照“申报一批、培育一批、建成一批”方式,支持推动企业在节能降碳路线、技术装备创新、先进技术应用、数字化绿色化协同转型等方面进行开创性探索,通过2—3年培育建设,打造一批零碳工厂,形成可复制、可推广的经验和模式。
二、培育实施程序
(一)申报遴选。按照自愿原则,企业对照培育建设要求编制零碳工厂建设方案,向当地工信主管部门提出申请。当地工信主管部门联合相关部门负责对申报材料进行初审,出具审核推荐意见,原则上优先推荐已入选省零碳工厂培育库企业,申报材料于每年4月底前报省工业和信息化厅。省工业和信息化厅会同省直有关部门组织材料审查、专家评审、现场调研核实等,择优遴选零碳工厂培育建设名单,并按程序向社会公示后发布。
(二)跟踪指导服务。建设单位应按照建设方案,完善工作机制,统筹要素资源,扎实推进建设工作。省工业和信息化厅会同相关部门组建专家服务团队,对建设单位进行指导服务,及时了解建设进展情况,并协调解决相关问题。各建设单位应于每年12月1日前向当地工信主管部门提交建设工作情况报告,总结相关指标的阶段性成效及存在的主要问题和困难。各市工信主管部门汇总后于12月10日前报省工业和信息化厅。
(三)验收评估。培育建设周期一般不超过3年。各建设单位完成建设任务,经自查达到各项目标要求的,提请当地工信主管部门进行核验,核验通过的由市级工信主管部门向省工业和信息化厅提出零碳工厂验收申请。省工业和信息化厅会同省直有关部门采取听取汇报、查阅资料、现场核实等方式,对建设情况进行验收评估,确定拟建成零碳工厂名单,按程序予以公示、发布。
验收评估过程中碳核算边界包括工厂生产经营活动产生的二氧化碳直接排放(包括燃料燃烧、过程排放等)和间接排放(包括外购电力、热力等)。已纳入全国碳排放权交易市场的企业核算方法采用全国碳排放权交易市场相关行业技术规范,其他企业核算方法采用《工业企业温室气体排放核算和报告通则》(GB/T32150)及细分行业相关国家标准(GB/T32151),或国际通用的相关温室气体核算标准。
(四)退出机制。自培育建设名单公布之日起3年内未提交验收申请的,提交申请后经综合评估未完成建设目标的,建设期内培育进展较慢或者培育质量较低的,退出培育建设名单。
三、保障措施
(一)严格组织实施。建立省、市、县三级联动推进工作机制。省工业和信息化厅牵头,协同省直有关部门统筹推进零碳工厂培育建设工作。各地工信主管部门高度重视零碳工厂培育建设工作,严格核查把关,高质量建立零碳工厂培育库,及时协调解决培育建设过程中的困难及问题,切实做好指导服务工作。
(二)强化政策支持。鼓励支持建设单位规模化实施绿色低碳改造、大规模设备更新等技术改造项目,在“两重”“两新”项目申报过程中予以支持。支持具备条件的建设单位优先推荐申报国家零碳工厂。加强与金融机构对接,支持建设单位申请绿色金融融资需求。鼓励有条件的地区结合实际在资金奖励、产品推广、人才引育等方面对建设单位予以政策支持。
(三)健全服务保障。省工业和信息化厅牵头组建专家服务团队,对建设单位定期开展指导服务,充分发挥高等院校、科研院所、行业协会、服务机构等单位作用,在相关标准制定、科技创新、先进技术对接等方面提供支持。
(四)加强示范引领。省工业和信息化厅会同省直有关部门总结零碳工厂培育建设经验做法,开展典型案例交流推广活动,充分发挥节能降碳标杆引领带动作用。












来源:河北省工业和信息化厅
Copyright © 2012-2018 碳排放管理师 版权所有 京ICP备2021040916号-2