工信部联节函〔2026〕32号
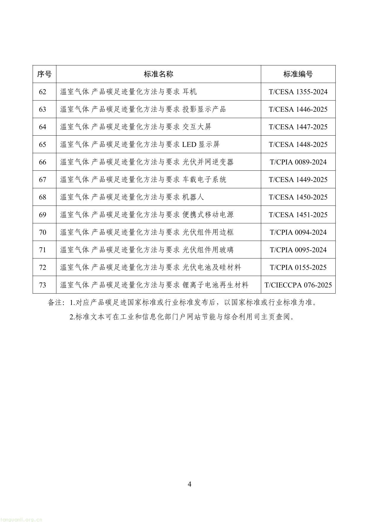
为贯彻落实《国务院办公厅关于印发〈加快构建碳排放双控制度体系工作方案〉的通知》(国办发〔2024〕39号),加快提升工业产品碳足迹管理水平,建立健全碳足迹管理体系,促进工业绿色低碳转型,经相关标准化机构推荐、专家评审、网上公示等程序,工业和信息化部、生态环境部、国家发展改革委、市场监管总局确定了73项工业产品碳足迹核算规则团体标准推荐清单(第三批),现予以公布。
特此通告。
附件:工业产品碳足迹核算规则团体标准推荐清单(第三批)
工业和信息化部
生态环境部
国家发展改革委
市场监管总局
2026年1月26日




来源:工信部
Copyright © 2012-2018 碳排放管理师 版权所有 京ICP备2021040916号-2