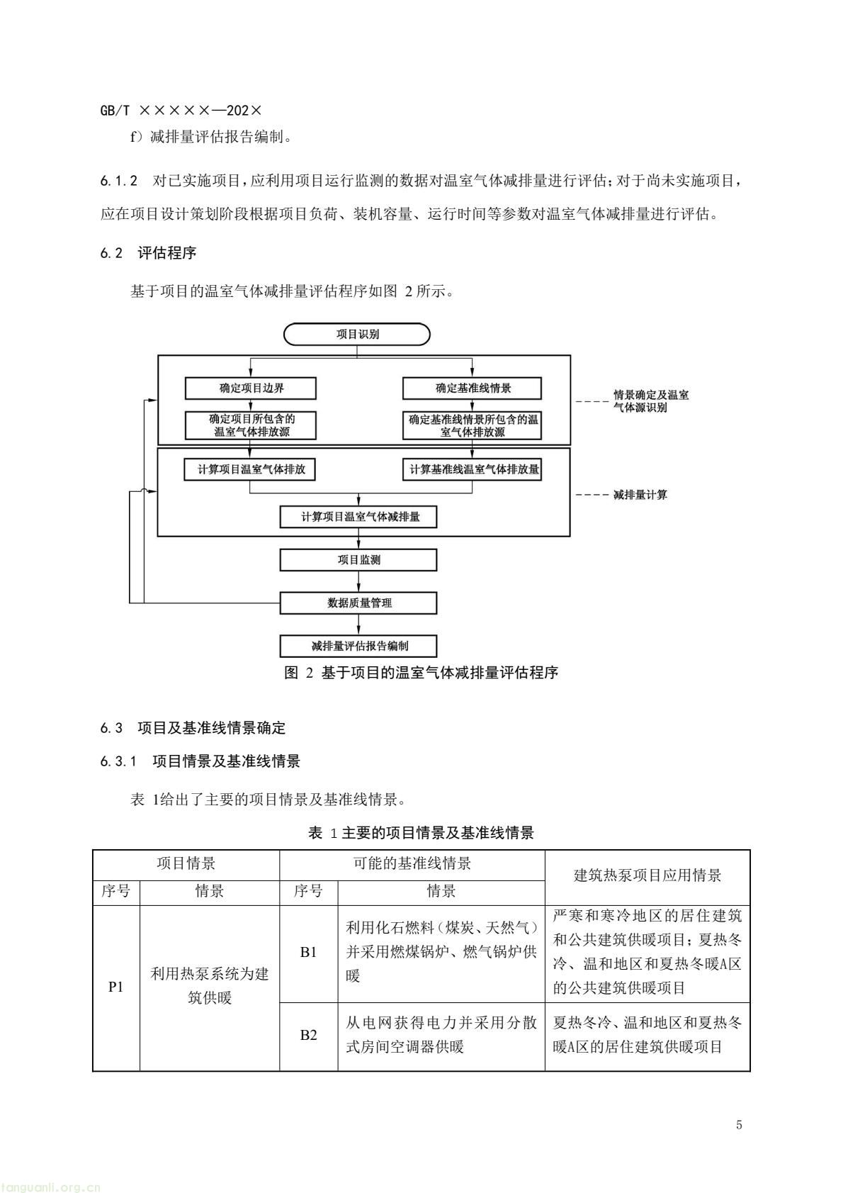
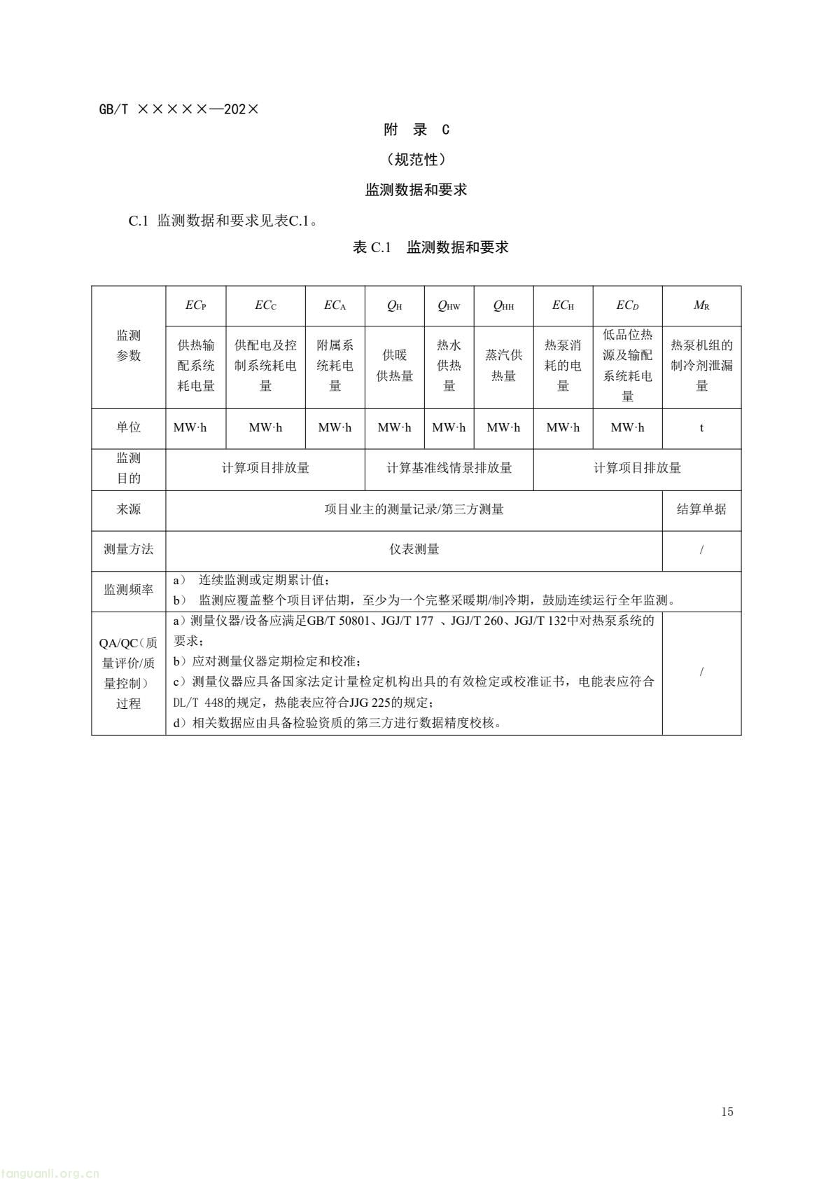
1 月 29 日,住房城乡建设部办公厅发布国家标准《基于项目的温室气体减排量评估技术规范 建筑热泵系统(征求意见稿)》并公开征求意见,意见反馈截止至 2026 年 3 月 5 日,该标准的制定也是落实碳达峰碳中和国家标准专项计划的重要举措。文件围绕建筑热泵项目温室气体减排量评估作出全面规范,明确了评估基本原则、项目边界与排放源识别、评估要求与方法,以及监测数据管理、评估报告编制等核心内容。其适用范围较广,不仅可指导热泵供暖、供热水、供蒸汽及多形式组合应用项目的减排量评估,还能为综合能源利用项目中热泵利用部分的温室气体减排量评估提供指导,将为建筑热泵领域减排量评估提供统一技术遵循,助力建筑领域绿色低碳转型。
具体如下:




















来源:住房城乡建设部
Copyright © 2012-2018 碳排放管理师 版权所有 京ICP备2021040916号-2