具体如下:
武汉市生态环境局关于印发《武汉市大型 活动碳中和实施指南(试行)》的通知
各区生态环境(分)局,各有关单位:
为深入践行习近平生态文明思想,推动形成绿色低碳的生产生活方式,鼓励社会各界积极参与碳中和行动,我局组织编制了《武汉市大型活动碳中和实施指南(试行)》,现印发给你们,请结合实际贯彻执行。
武汉市生态环境局
2025年12月9日
武汉市大型活动碳中和实施指南(试行)
第一章 总则
第一条 为深入践行习近平生态文明思想,鼓励社会各界参与碳中和行动,倡导形成绿色低碳的生产生活方式,规范全市大型活动碳中和实施,根据《大型活动碳中和实施指南(试行)》(生态环境部2019年第19号公告)等文件要求,结合我市实际,制定本指南。
第二条 本指南所称大型活动,是指本市行政区域范围内的大型演出、赛事、会议、展览以及其他大型活动。
大型演出:指现场参加人数(含演职人员、观众及其他参与者)5000人及以上的演出活动。
大型赛事:指现场参加人数(含参赛人员、观众及其他参与者)5000人及以上的综合性或单项体育赛事。
大型会议:指现场参会人数(含分会场,不含线上)200人及以上的会议(含论坛、宣传等活动)。
大型展览:指现场参加人数5000人及以上或展览面积5000平方米及以上的展览。
其他大型活动:指除上述活动以外的其他1000人以上的大型活动。
本市行政区域内的中小型活动可参考本指南执行。
第三条本指南所称碳中和,是指大型活动在实施减少温室气体排放措施后,针对受技术和经济等因素限制难以避免的排放量,通过使用碳配额或温室气体自愿减排量的方式,抵销其温室气体排放量的行为。当用于抵销的碳配额、碳普惠减排量或(和)温室气体自愿减排量大于或等于活动实际产生的温室气体排放量时,即界定为该大型活动实现了碳中和。
第四条 对已做出大型活动碳中和承诺的组织者,其碳中和实施工作由全市各级生态环境部门依据本指南予以指导。生态环境部门应会同教育、商务、文化和旅游、体育、园林和林业、机关事务管理等有关部门,引导党政机关、事业单位和国有企业等单位开展活动碳中和,同时做好典型案例的经验交流和宣传推广。
第五条 鼓励大型活动组织者依据本指南对大型活动实施碳中和,并主动公开相关信息,接受政府主管部门指导和社会监督。鼓励大型活动参与者参加碳中和活动。
第二章 实施要求和原则
第六条 拟实施大型活动碳中和的组织者应结合实际情况主动减少温室气体排放,优先在举办期间采取减少温室气体排放措施(以下简称减排措施)、鼓励参与者积极践行绿色低碳行为,再通过抵销等手段中和活动实际产生的温室气体排放量,最终实现碳中和。
第七条 核算活动温室气体排放应遵循完整性、规范性、准确性和透明性原则。
(一)完整性:应覆盖核算边界内活动排放的温室气体,避免重复计算或漏算。
(二)规范性:核算方法学应选择行业主管部门公布或推荐的核算标准和技术规范。
(三)准确性:应确定核算边界,识别纳入边界的排放源,并选取适合的活动数据和排放因子进行计算,尽可能减少偏差。
(四)透明性:大型活动及中小型活动应通过新闻发布会、报刊、互联网等方式,将实现活动碳中和的实施计划、核算方法、抵销措施等全过程及结果向社会公开,对相关公开信息的真实性负责,并接受社会监督。
第三章 实施流程
第八条 实施活动碳中和的流程应包括筹备阶段制订碳中和实施计划,举办阶段开展减排措施,收尾阶段核算温室气体排放量,结束阶段采取抵销方式完成碳中和并发布碳中和声明。
大型活动组织者应在大型活动开幕前30日内,向社会公开《大型活动碳中和实施计划表》(附件4),作为实施碳中和的支撑性材料。
第九条 碳中和实施计划应包括活动基本情况、减排措施、预估温室气体排放量、碳中和抵销方式以及预期实现碳中和的时间。
第十条 活动组织者应提出具体的减排措施(参考本指南附件2),并在活动的筹备、举办和收尾阶段尽可能予以实施,确保减排措施的有效性。
第十一条 活动组织者根据活动数据的可获取性、核算的可操作性等实际情况,选取适合的范围作为温室气体排放量核算边界。
(一)范围1:举办阶段活动直接产生的温室气体排放量(包括活动场馆及服务于活动的固定设施和移动设施化石燃料燃烧排放);
(二)范围2:举办阶段活动间接产生的温室气体排放量(包括服务于活动所需的净购入电力、热力消耗产生的温室气体排放);
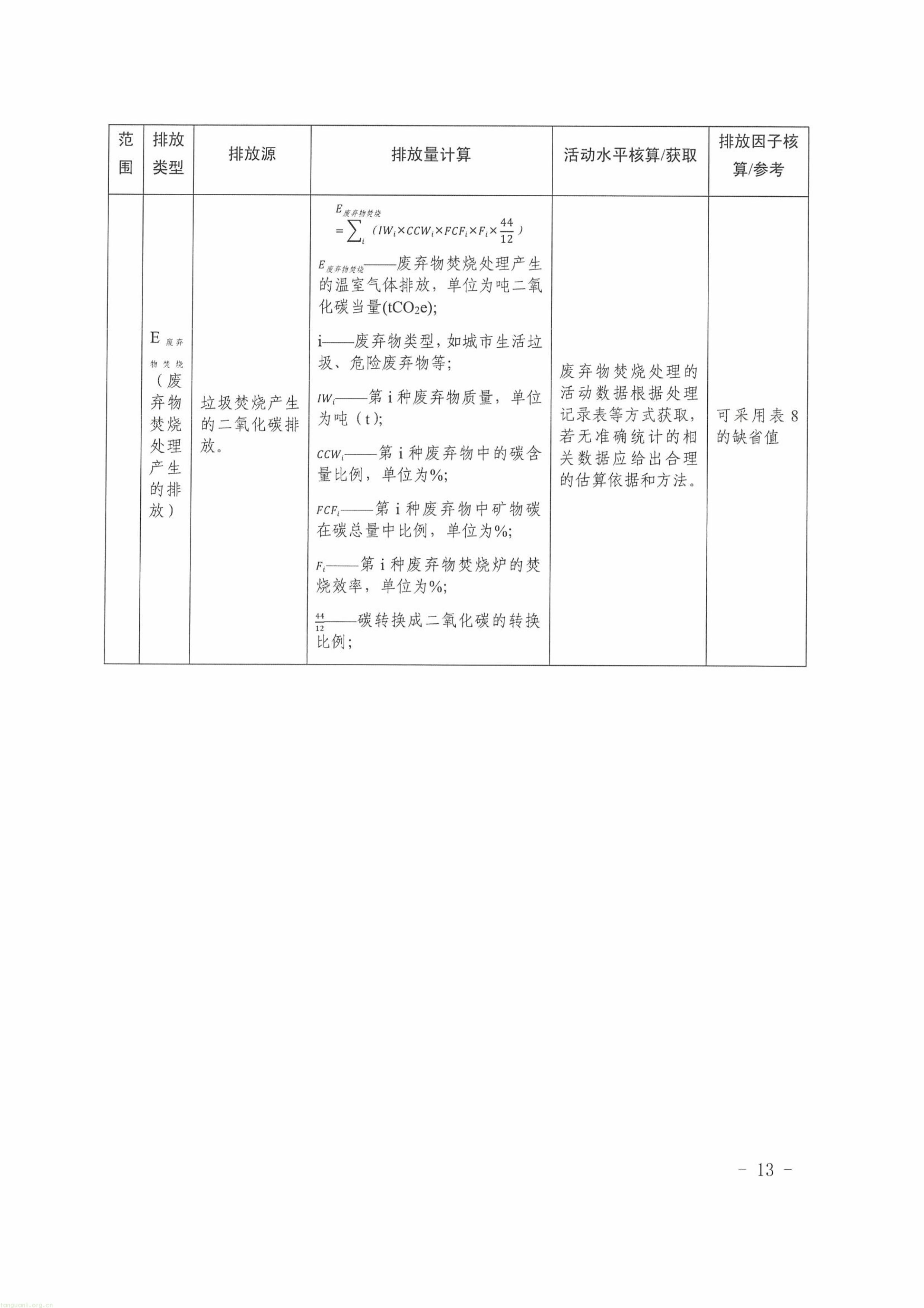
(三)范围3:筹备、举办和收尾等全阶段直接及间接产生的温室气体排放量(包括活动组织方和参与方等相关人员为参加活动自行搭乘交通工具所产生的排放、活动期间所有参会人员的住宿活动产生的排放、活动组织者提供餐饮相关的排放、会议采购的其他产品或原料、物料供应在生产过程中隐含的排放、活动期间产生的废弃物在焚烧处理过程中产生的排放)。
第十二条 活动组织者应识别、确定核算边界内的温室气体排放源(参考本指南附件1),选择温室气体排放量核算方法和相应的活动数据及排放因子,核算活动产生的温室气体排放量。
第十三条 活动组织者应明确碳中和的抵销方式,可参照以下优先顺序选择一种或多种方式抵销活动产生的温室气体排放量,完成碳中和。鼓励企业、社会组织、个人通过捐赠碳配额、碳普惠减排量等方式,支持大型活动碳中和。
(一)经武汉市碳普惠管理机构备案或武汉市对口帮扶地区碳普惠项目产生的减排量。
(二)全国或湖北省试点碳排放权交易市场的碳配额。
(三)本市产生的中国核证自愿减排量(CCER)。
(四)本市产生的湖北省碳普惠项目减排量。
(五)经主管部门认可的其他碳减排量。
用于抵销大型活动温室气体排放量的碳配额或温室气体自愿减排量,应按规范及程序在相应的注册登记机构注销,注销后应可追溯并提供相应证明,且实现碳中和的时间不得晚于大型活动结束后3个月内。
上述5类项目产生的减排量用于碳中和之后,不得再作为国家温室气体自愿减排项目或者其他减排机制项目重复开发,也不可再用于开展其他活动或项目的碳中和。
第四章 承诺和评价
第十四条 大型活动组织者可通过委托符合要求的技术服务机构开展评价工作或自我承诺(附件5)的方式,确认实现碳中和。
第十五条 如通过自我承诺的方式确认活动实现碳中和,大型活动组织者应对照碳中和实施计划开展,保存相关证据文件并对真实性负责。
第十六条 如通过委托技术服务机构的方式确认大型活动实现碳中和,建议采用符合国家或湖北省要求的审定与核查机构。技术服务机构的评价活动按照生态环境部2019年第19号公告第十六条要求开展。技术服务机构的评价工作一般包括准备阶段、实施阶段和报告阶段。每个阶段应开展的工作如下。
(一)准备阶段
技术服务机构对大型活动组织者提交的书面申请材料进行初审,审核申请资料的完整性及大型活动碳中和实施计划的合理性。申请资料包括《大型活动碳中和申请表》(附件3)和《大型活动碳中和实施计划表》(附件4)。
(二)实施阶段
技术服务机构开展碳中和评价,出具武汉市大型活动碳中和评价报告(附件6)。评价包括文件评审、现场访问、报告编制。
文件评审:技术服务机构应通过查阅大型活动碳中和实施计划表、温室气体排放量核算及实施抵销的相应支持材料,确认大型活动实施是否满足本指南要求。
现场访问:在大型活动举办阶段,技术服务机构可根据需求实施现场访问,访问内容应包括但不限于人员访谈、减排措施执行情况勘察、温室气体排放量的核算等。
评价报告编制:技术服务机构应根据文件评审和现场访问情况,编制评价报告。
评价报告复核:评价报告应经过独立于评价工作的人员复核,复核人员应具备必要的知识和能力。
(三)报告阶段
评价报告批准:独立机构批准经内部复核后的评价报告,将评价报告交大型活动组织者。
第十七条 大型活动组织者可在实现碳中和之后向社会做出公开声明。声明应包含但不限于以下内容。
(一)活动名称;
(二)活动组织者名单;
(三)活动举办时间;
(四)活动减排措施执行情况;
(五)活动温室气体核算边界和排放量;
(六)碳中和的抵销方式及实现碳中和日期;
(七)评价机构的名称及评价结论(如有);
(八)碳中和评价报告(如有);
(九)声明组织(人)和声明日期。























来源:武汉市生态环境局
Copyright © 2012-2018 碳排放管理师 版权所有 京ICP备2021040916号-2